説明
【特徴】
●扉などに取付て使用するZ型のフック。
●表示荷重を超えて使用しないでください。
●極端な衝撃、ねじれた状態で使用されると強度が低下致しますのでお避けください。
●磨耗や変形した物は使用しないでください。
●締め付けや、取り付けは確実に行ってください。
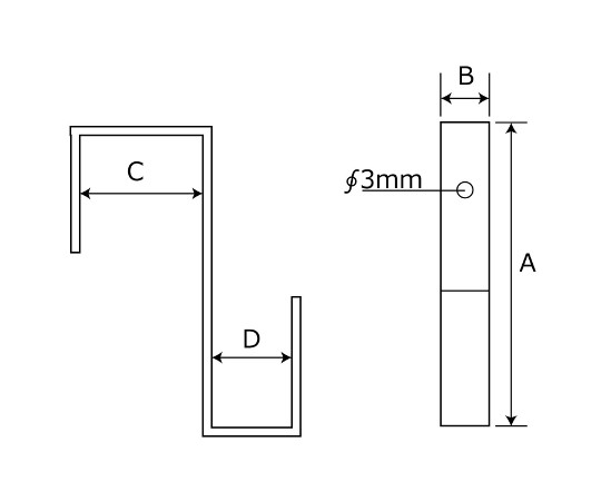
【仕様】
●規格:15×37×75mm
●安全荷重(kg):2.7
●A(mm):75
●B(mm):9.5
●C(mm):37
●D(mm):15
●材質:スチール・クロムメッキ
追加情報
メーカー名:
和気産業
メーカー型番:
BK-387
予定納期:
通常3~5日で発送予定
