説明
【特徴】
●中荷重用として運搬時に使用されている一般産業用キャスターです。
●旋回部の構造を二段構造にする事で、スムーズな旋回が可能になります。
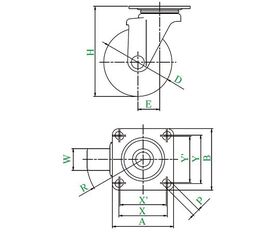
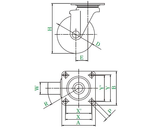
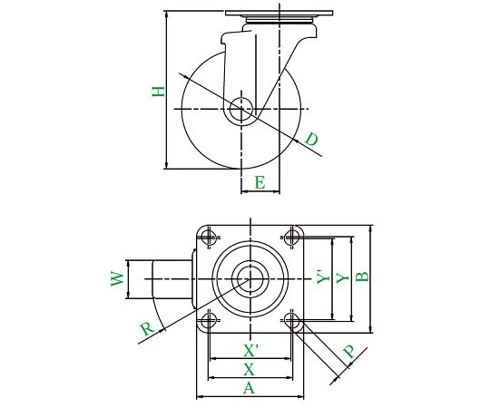
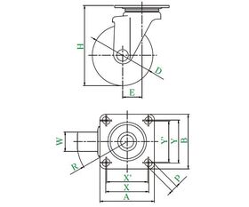
【仕様】
●許容荷重(kgf):122.4
●車幅径(mm):100
●車幅(mm):32
●取付高(mm):132
●取付座(mm):90×90
●取付寸法(mm):71×71(68×68)
●穴径(mm):11
●偏心(mm):32
●旋回半径(mm):83
●自重(g):769
●車輪材質:ナイロン
●金具:三価ユニクロ仕上
●コード番号:31008
追加情報
メーカー名:
ユーエイ
メーカー品番:
SJ-100N
予定納期:
注文から1~3日で発送
