説明
【特徴】
●電気工事必須の圧着端子・スリーブもJAPPYブランドで揃います!
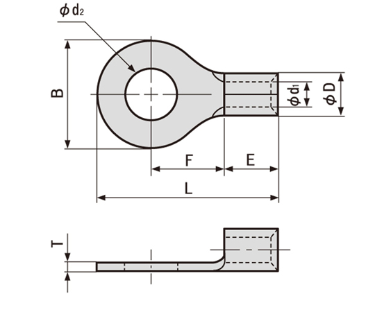
●電気工事に必須の裸圧着端子
●電線同士を接続する際にご使用いただけます
【仕様】
●材質:無酸素銅
●適用電線範囲:単線1.82~2.89mm、より線2.63~6.64mm2、AWG:#10~♯12
●規格:UL、CSA
●入数:100個
追加情報
メーカー名:
JAPPY
メーカー品番:
5.5-12 JP (100)
予定納期:
通常3~5日で発送予定
