説明
【特徴】
●棚ダボは家具内の移動棚を四隅で支える金具です。
●家具の側板に棚ダボの受穴を設けそこに棚ダボを差込んで使用します。
【仕様】
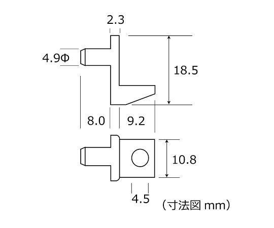
●サイズ(mm):4.9
●材質:ポリアミド
●入数:4個入
追加情報
メーカー名:
和気産業
メーカー型番:
ML684
予定納期:
通常3~5日で発送予定
© 2026 © Rakuten Group, Inc.
