説明
【特徴】
●シングルベアリングタイプの一般的な小型キャスターで、平台車等に数多く使用されております。
【仕様】
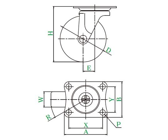
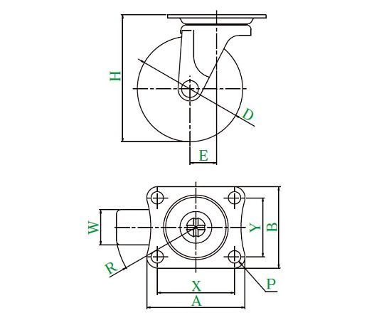
●許容荷重(kgf):10.2
●車幅径(mm):25
●車幅(mm):12
●取付高(mm):35
●取付座(mm):35×30
●取付寸法(mm):28×23
●穴径(mm):4.2
●偏心(mm):8
●旋回半径(mm):21
●自重(g):33
●車輪材質:ナイロン
●コード番号:91603
追加情報
メーカー名:
ユーエイ
メーカー品番:
G-25N
予定納期:
注文から1~3日で発送
