説明
【特徴】
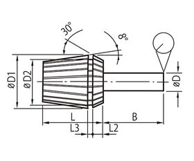
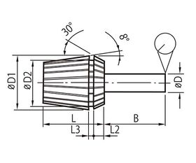
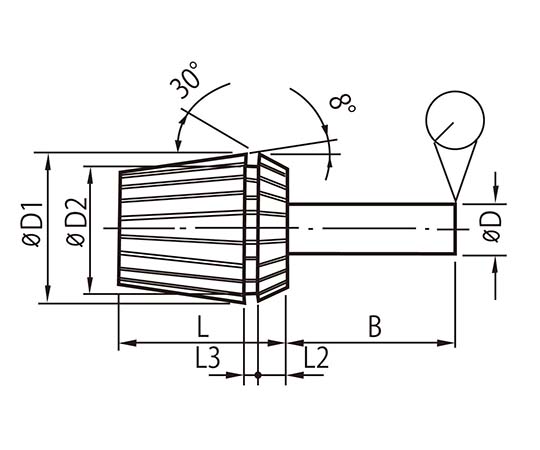
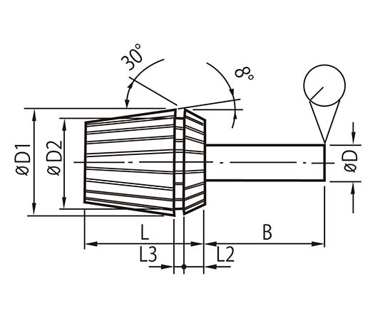
●片角8°のヨーロッパ規格です。
●標準級。
【仕様】
●把握径:3.0~3.5mm
●サイズ:D1:21mm、D2:17.4mm、L:31.5mm、L2:4.8mm、L3:2.8mm
追加情報
メーカー名:
ファーステック
メーカー品番:
FT-ER20-3.5
予定納期:
注文から1~3日で発送
© 2026 © Rakuten Group, Inc.
