サプライヤー情報

アズワン株式会社

ユニクロ サラCAP(TKS 8×40 (20本入) A0-00-200T-0080-0400-01-20

サンコーインダストリー, A0-00-200T-0080-0400-01-20
1,420 (税込) / 1,291 (税抜)
アズワン株式会社
必要ポイント数: 1291 ポイント
67-1544-90
在庫切れ

説明


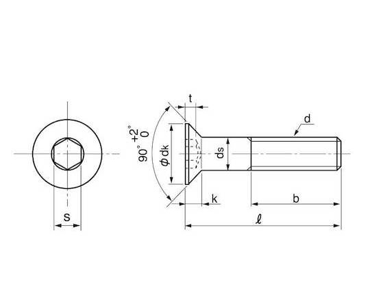
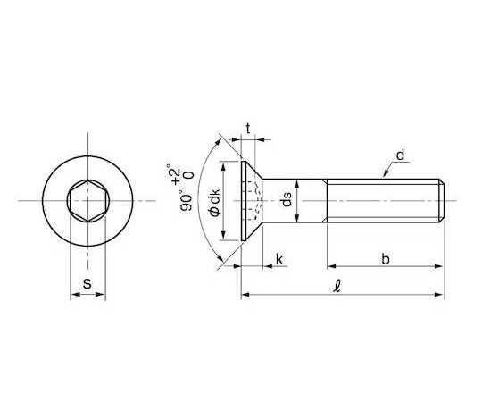
【特徴】
●ねじ長さ(mm):40
●ねじ径(mm):M8
●ねじ長さ(mm):40
【仕様】
●材質/仕上:鉄(または標準)
●材質/仕上:表面処理:ユニクロ
●簡易包装(袋又は箱)となります。
●メーカー基準に基づく梱包形態となります。
●原産国:日本
●コード番号:372-4864

追加情報

メーカー名:
サンコーインダストリー
メーカー品番:
A0-00-200T-0080-0400-01-20
予定納期:
注文から1~3日で発送

サプライヤー情報

アズワン株式会社