説明
【特徴】
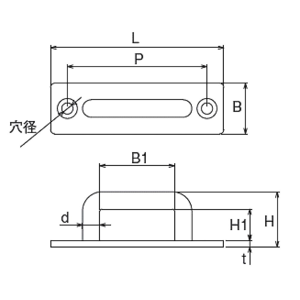
●壁面等にチェーン類を取り付ける際に使用するパッドアイです。表示荷重を絶対越えて使用しないで下さい。
●極端な衝撃、ねじれた状態で使用すると強度が低下しますのでお避け下さい。
●摩耗や変形した商品は使用しないで下さい。
●締めつけや取り付けは確実に行ってください。
【仕様】
●使用荷重(kg):30
●寸法D(mm):5
●寸法A(mm):15
●寸法B1(mm):45
●寸法B2(mm):35
●寸法H(mm):20
●寸法h(mm):13
●寸法d(mm):4.2
●寸法S(mm):10
●寸法T(mm):2
●材質:ステンレス(SUS304)
追加情報
メーカー名:
和気産業
メーカー品番:
BK-978
予定納期:
通常3~5日で発送予定
