説明
【特徴】
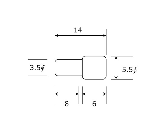
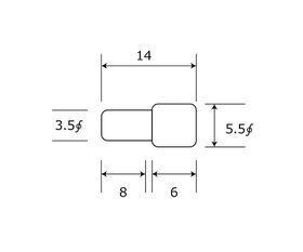
●棚ダボは家具内の移動棚を四隅で支える金具です。
●家具の側板に棚ダボの受穴を設けそこに棚ダボを差込んで使用します。
●キャビネット・本箱・水屋等の棚受。下穴をあけて差し込んで使用。
●側板の受穴は、棚ダボの足の長さより1~2mm深く、穴径は足径より少し小さめにあけて下さい。
●取り付けには木ヅチなどで軽く打ち込んでください。
【仕様】
●規格:3.5×6mm
●材質:軟鋼
●入数:10個入
追加情報
メーカー名:
和気産業
メーカー型番:
if-067
予定納期:
通常1~3日で発送
