説明
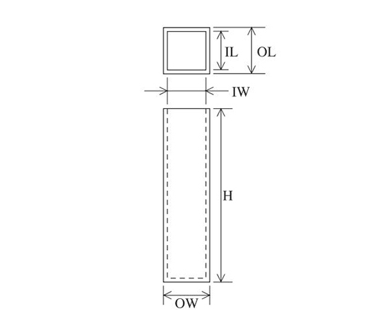
【仕様】
●外寸(mm):OL/12.5、OW/12.5、H/45.0
●内寸(mm):IL/10.0、IW/10.0
●容積(mL):3.500
●素材:合成石英 ※素材により透過率が異なります。
追加情報
メーカー名:
東ソー
メーカー品番:
T-3-ES-10
予定納期:
通常2週間以降で発送予定
© 2026 © Rakuten Group, Inc.
