説明
【特徴】
●南京錠で施錠できる防犯型。サビに強い
●木製扉から小箱までの締り具に
●取り付けの際、木部の割れやネジの破損を防ぐためキリで下穴を開けてください
【仕様】
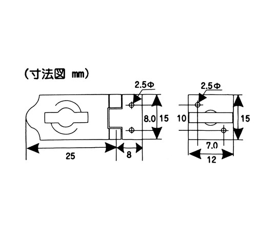
●規格:25mm
●使用木ねじ(mm):2.1×10
●材質:SUS304
追加情報
メーカー名:
和気産業
メーカー品番:
VD-030
予定納期:
通常3~5日で発送予定
