説明
【特徴】
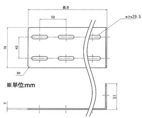
【仕様】
●材質:スチール(クロメートメッキ)
●長さ×長さ:251×51mm
●幅:76mm
●厚み:2mm
●穴サイズ:7×29.5mm
●穴数:12
●重量:約304g(1個あたり)
●入数:1個
●コード品番:EA951EA-344A
追加情報
メーカー名:
エスコ
メーカー品番:
EA951EA-344A
予定納期:
注文から1~3日で発送
