説明
【特徴】
●ベアリング入り
●弾性のあるゴム車付きです。
●重量運搬用、その他一般産業用として多く使用されています。
●車輪の回転と自在金具の旋回を止めるダブルストッパー付き。右側ストッパーペダル仕様(EA986PN-42)と組合せて使用することにより、台車の外側にストッパーペダルが出て操作しやすくなります。
●ダブルストッパー(車輪の回転と金具の旋回を同時に止めます)
●安全率を考え、最大荷重×80%程度でのご使用をお勧めいたします。
【仕様】
●メーカー:東正車輌(TOSEI)
●型番:WJ-100RB-WSL
●仕様:自在ストッパー付(左)
●車輪径×幅(mm):100×35
●全高(mm):144
●耐荷重(kg):130
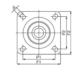
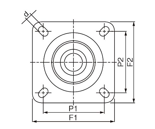
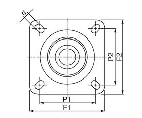
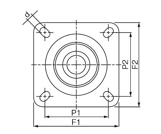
●穴径(d):10.5mm
●取付ピッチ(P1×P2):71×71mm
●プレートサイズ(F1×F2):95×95mm
●耐熱温度:-20~80℃
●使用温度範囲:-5℃~60℃
●材質:金具/スチール、車輪/ゴム
●偏心:35mm
●重量(g):1220
●用途:ロールボックス、パレット、台車、倉庫、工場など
●注意事項:キャスターに対し荷重が垂直にかかるように取付け、台車など人力で間欠的に搬送する際にご使用ください。
追加情報
メーカー名:
東正車輌
メーカー品番:
EA986PN-47
予定納期:
注文から1~3日で発送
