説明
【特徴】
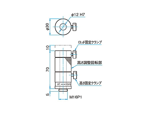
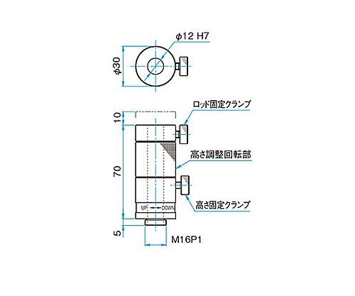
●ロッド付きホルダーの高さ・回転粗調整用に使用します。
●高さ調整回転部を回すことにより、高さ方向に10mm(約5mm/1回転)の移動が可能です。
●ホルダーのロッドを挿入して、本体側面のクランプネジ2ヶ所で固定します。
●本体側面の上部クランプネジはロッド固定用、下部クランプネジは高さ(ヘリコイドリング)固定用です。
●ヘリコイドネジ式のため、取り付けたロッドを回転させずに上下動ができます。
●※高さ調整回転部を移動量以上に回し過ぎますと、ロックする場合があります。
【仕様】
●【<ヘリコイドロッドスタンド>共通仕様】
●▼主要材質:アルミ
●▼表面処理:黒アルマイト
●【個別仕様】
●▼内径:φ12mm
●▼外径:φ30mm
●▼質量:0.16kg
●RoHS適合品
追加情報
メーカー名:
シグマ光機
メーカー品番:
RSN-12
予定納期:
注文から1~3日で発送
