説明
【特徴】
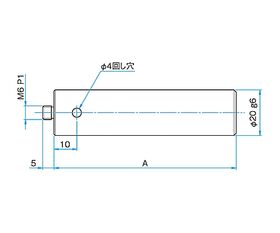
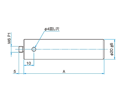
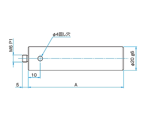
●ステンレス製の支柱(ロッド)です。
●片端にM4もしくはM6のオネジが付いている(RO)タイプと、インチネジのオネジ1/4-20UNCが付いている(ROU)タイプ、M4のオネジが付いている(ROC)3タイプがあります。
●側面の貫通穴はホルダー等に固定する際、レンチなどを穴に通し容易に締め込みが行えます。
●ROUタイプは、カメラ等に接続して使用できます。
●高安定性ロッドスタンド:BRS、ロッドスタンド:RS
【仕様】
●【<ロッド>共通仕様】
●▼主要材質:ステンレス
●▼表面処理:無
●【個別仕様】
●▼外径:φ20mm
●▼A:20mm
●▼質量:0.05kg
●RoHS適合品
追加情報
メーカー名:
シグマ光機
メーカー品番:
RO-20-20
予定納期:
注文から1~3日で発送
