説明
【特徴】
●高品質かつ抜群の切れ味の機械用刃物です。
●切れ味が良く、実験室・工場での切断工程に使用できる刃です。
●あらゆる素材の製造工程において多数採用されております。
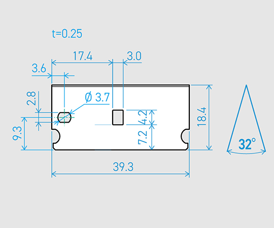
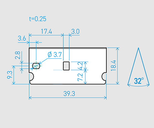
【仕様】
●材質:炭素工具鋼
●未滅菌
●サイズ(mm):39.3×18.4
●厚み(mm):0.25
●刃角度:32°
●用途:フィルム等の切断工程に。
追加情報
メーカー名:
貝印刃物
メーカー品番:
750BH2031
予定納期:
注文から1~3日で発送
