説明
【特徴】
●二重管の内管と外管に、それぞれ流された流体は、内外流体の温度差により、連続的に冷却・加熱され排出されます。
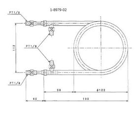
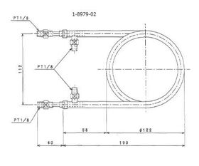
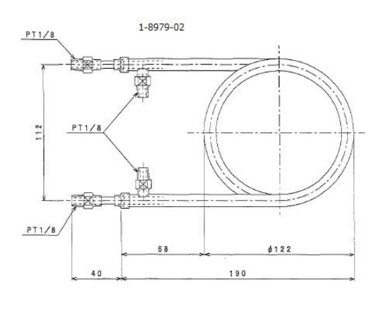
【仕様】
●サイズ:総高/230mm、コイル径/112mm
●伝熱面積:0.07m2
●材質:ステンレス(SUS304)
●取付部管径(内管・外管):PT1/8
●コイル幅:130mm
●コイル長:3.7m
●巻数:11.5
追加情報
メーカー名:
アズワン
メーカー品番:
NH-S2
予定納期:
注文から1~3日で発送
