説明
【特徴】
●マンホール・タラップ
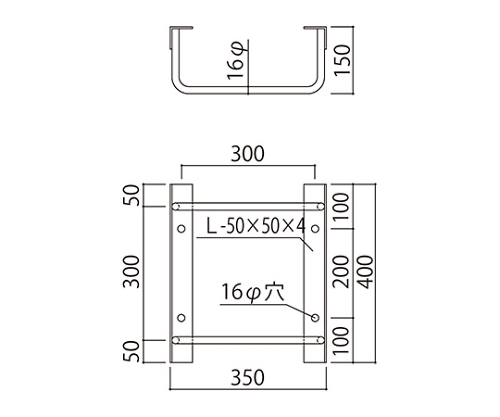
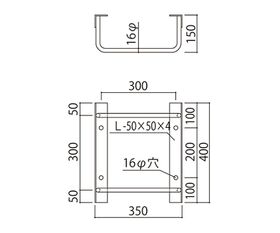
【仕様】
●寸法:W350×H400
●丸鋼径:16径
●重量:約4.2kg
●材質:山形鋼50×50×4
●仕上:溶融亜鉛メッキ
●コード番号:03043694
追加情報
メーカー名:
神栄ホームクリエイト
メーカー品番:
PC-2
予定納期:
注文から1~3日で発送
© 2026 © Rakuten Group, Inc.
