説明
【特徴】
●液体または固形物の計量に適し、最後の一滴(一粒)までサンプルをムダにしません。
●とがった先端で細口瓶・試験管等への移し替えが容易です。
●ツバが付いているため、ピンセットでつかみやすい形状です。
●ゴミの付着がありませんので、試薬(液体・粉体)への汚濁を防ぎます。
●滅菌タイプをラインナップ!
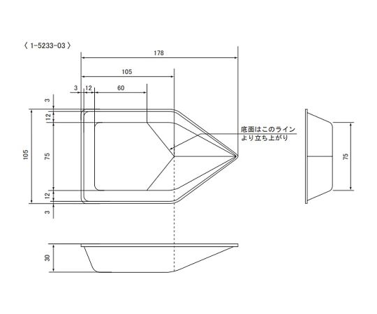
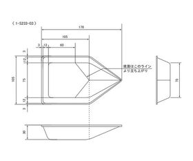
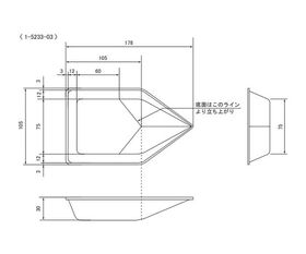
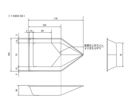
【仕様】
●容量(mL):300
●タイプ:ナチュラル
●サイズ(mm):178×105×30
●滅菌:済
●入数:1箱(10枚/袋×25袋入)
●材質:PS
●γ線滅菌済
●※容量は目安です。
●※滅菌品はγ線照射による、本体からの臭い及び変色があります。
●※サンプルは、-01~05をご用意しております。
追加情報
メーカー名:
アズワン
メーカー品番:
ST-3S
予定納期:
注文から1~3日で発送
