説明
【特徴】
●液体または固形物の計量に適し、最後の一滴(一粒)までサンプルをムダにしません。
●とがった先端で細口瓶・試験管等への移し替えが容易です。
●ツバが付いているため、ピンセットでつかみやすい形状です。
●ゴミの付着がありませんので、試薬(液体・粉体)への汚濁を防ぎます。
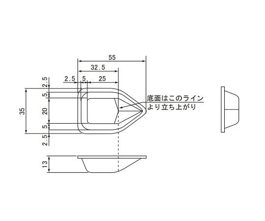
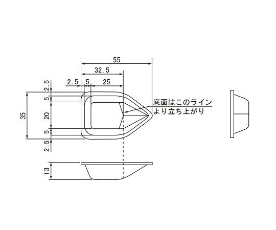
【仕様】
●トレー
●材質:PS(ポリスチレン)
●サイズ:55×35×13mm
●入数:1箱(1000枚入)
●タイプ:ナチュラル
●容量:10mL
●※サンプルは、1-5233-01~05・1-5239-01~05をご用意しております。
追加情報
メーカー名:
アズワン
予定納期:
注文から1~3日で発送
