説明
【特徴】
●小型・軽量タイプの放射温度計です。
●表示値を固定するデータホルド機能付きです。
●レーザーマーカー付きで、迅速で効率良く計測できます。
●MAX/MIN/AVG表示機能付きです。
●携帯に便利な軽量・コンパクトサイズ。
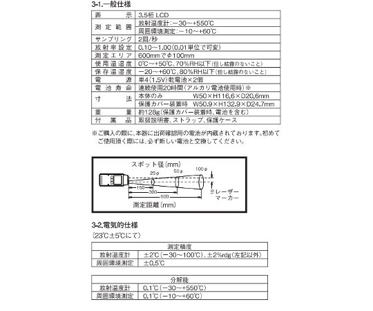
【仕様】
●型番:IT-210
●測定精度:-30~100℃/±2℃、その他/±2%rdg
●測定波長:6~14μm
●スポット比(距離:測定視野):6:1
●サンプリング:2回/秒
●放射率:0.1~1.0で可変
●レーザーマーカー付き
●機能:オートパワーオフ・バックライト
●電源:単4乾電池×2個(別売)
●サイズ:50.9×24.7×132.9mm
●重量:約128g
●付属品:ストラップ・保護ケース
●測定範囲:-30~550℃
●分解能:0.1℃
追加情報
メーカー名:
アズワン
メーカー品番:
IT-210
予定納期:
注文から1~3日で発送
