説明
【特徴】
●耐薬品性・耐熱性・離型性に優れています。
【仕様】
●容量(mL):500
●把手:片手
●材質:PTFE(四フッ化エチレン)
●耐熱温度:260℃
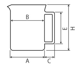
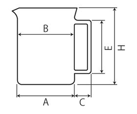
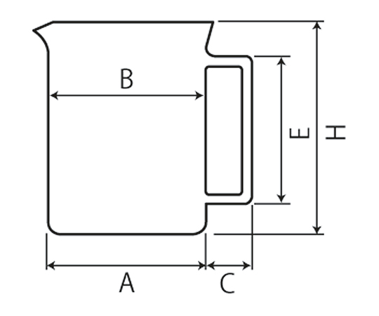
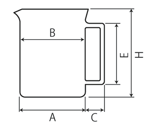
●サイズ(mm):
●▼A:90
●▼B:86
●▼C:40
●▼E:80
●▼H:122
追加情報
メーカー名:
        
        フロンケミカル
        メーカー品番:
        
        NR0200-001
        予定納期:
        
        注文から1~3日で発送
         
    
             
 
 
 
 
 
 
 
 
