説明
【特徴】
●腐食性ガスのトラップ瓶や各種有機溶媒のインピンジャーとして使用できます。
●チューブはキャップに溶接しています。
【仕様】
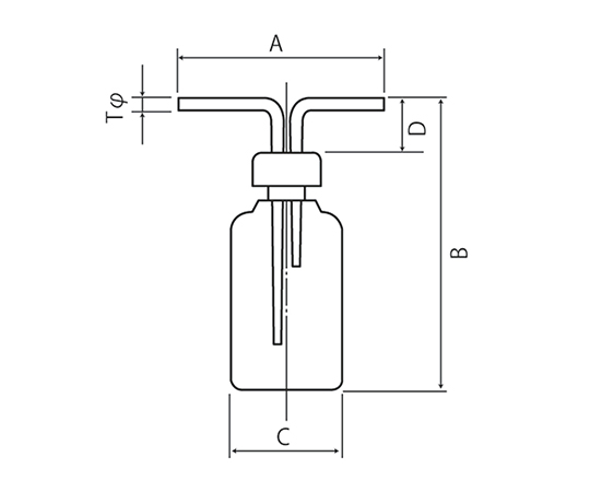
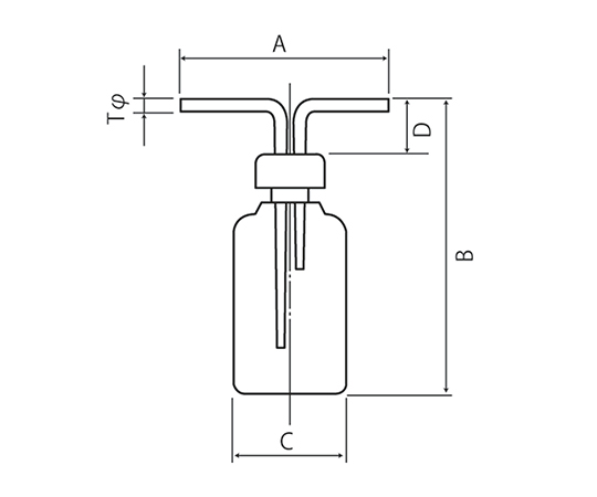
●容量(mL):500
●材質:本体/PFA(フッ素樹脂)、中栓/PTFE
●耐熱性:260℃
●サイズ:
●▼A:140
●▼B:235
●▼C:70
●▼D:55
●▼T:Φ8
追加情報
メーカー名:
フロンケミカル
メーカー品番:
NR1420-003
予定納期:
注文から1~3日で発送
