PFAトラップ瓶 1000mL NR1420-004

50,160 (税込) / 45,600 (税抜)
アズワン株式会社
必要ポイント数: 45600 ポイント
3-8789-04
在庫あり
+

説明


【特徴】
●腐食性ガスのトラップ瓶や各種有機溶媒のインピンジャーとして使用できます。
●チューブはキャップに溶接しています。
【仕様】
●容量(mL):1000
●材質:PFA(フッ素樹脂)
●耐熱性:260℃
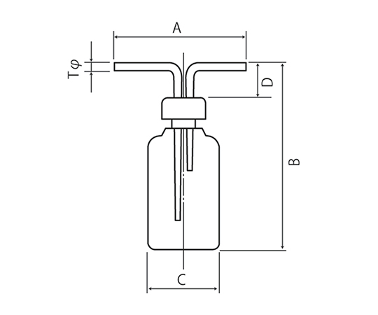
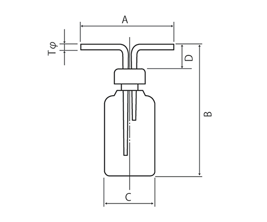
●サイズ:
●▼A:140
●▼B:280
●▼C:92
●▼D:55
●▼T:Φ8

追加情報

メーカー名:
フロンケミカル
メーカー品番:
NR1420-004
予定納期:
注文から1~3日で発送