説明
【特徴】
●しっかりとした素材感のアイアンバー。
●シンプルなデザインで、インテリアスタイルを選びません。
●取付座の角度を自由に変えられ、様々な場所に取付可能。
●取付座が回転可能。
●用途に応じて取付位置を微調整できます。
●多用途に使えます。(取付ビス付属)
●使用例:マガジンラック、キッチン収納、シューズラックに、バーカウンター等。
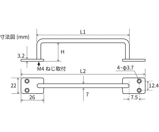
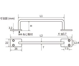
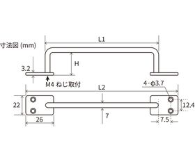
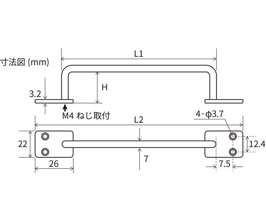
【仕様】
●材質:鉄
●サイズ:H46.2×L1:570×L2:600mm
●付属品:鉄+皿木ねじ/ニッケルメッキ2.7×16(5本…予備1本含む)
●コード番号:99099017
追加情報
メーカー名:
清水
メーカー品番:
SH-IB5060S
予定納期:
注文から1~3日で発送
