説明
【特徴】
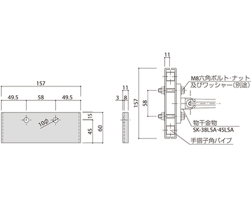
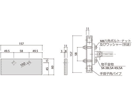
●物干金物
【仕様】
●寸法:H60×W157×D11
●入数:2枚1組
●材質および厚み:鋼板3mm
●仕上:焼付塗装
●コード番号:03042072
追加情報
メーカー名:
神栄ホームクリエイト
メーカー品番:
SK-168M-WC
予定納期:
注文から1~3日で発送
© 2026 © Rakuten Group, Inc.
