説明
【特徴】
●耐酸性で長寿命です。
●エレクトリック関係パーツに適するようすべて非磁性です。
●使いやすくするために滑り止めや、ハンドル部にギザグリップを付けてあります。
●クラス100で表面洗浄、クリーンパック。
●用途:普通のピンセットでは取り扱いにくいもの、半導体ウェハーや、雲母のような薄く壊れやすい物の移動やピックアップに。
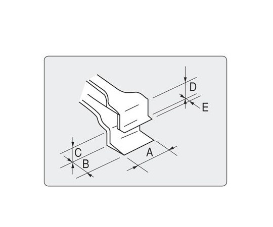
【仕様】
●型番:No.4WL
●全長(mm):125
●A(mm):12
●B(mm):7.5
●C(mm):3
●D(mm):4
●E(mm):2.5
●表面洗浄済
●材質:クロームスチール(硬度390VC及び40RC)
●クラス100において、表面洗浄処理済シールパッケージ
追加情報
メーカー名:
IDEAL-TEK
メーカー品番:
No.4WL
予定納期:
注文から1~3日で発送
